هدر جعبه 2.54 میلی متری با اتصال پست
محصول BHDS{0}}XXXXXX AttributesSupply Ability & Additional InformationPackaging & Delivery
شرح
ویژگی های محصول
شماره مدل: BHDS{0}}XXXXXX نام تجاری: ANTENK نوع رابط: AC/DCH محفظه: پین پلاستیکی: قطب های برنجی: دیگر کاربرد: گواهینامه: دیگرجنس: مرد مواد: برنج شماره کارت پشتیبانی: سایر فرکانس عملیات: فرکانس بالا طبقه بندی: سایر
قابلیت تامین و اطلاعات اضافی
بسته بندی: بسته بندی کیسه، بسته بندی لوله، بسته بندی قرقره بهره وری: 100000K/ماه حمل و نقل: اقیانوس، محل مبدا: چین قابلیت تامین: 100000K/ماهگواهی: ISO9001HS Code: TIS9001HSF,TypeWinPaster, 800001HSF,Type:
بسته بندی و تحویل
واحدهای فروش:
کیف / کیف
نوع بسته:
بسته بندی کیسه، بسته بندی لوله، بسته بندی قرقره
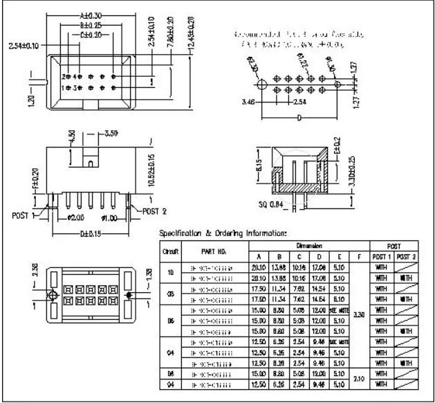
Shenzhen Antenk Electronics Co., Ltd. یک هدر جعبه 2.54 میلیمتری 180 درجه H=10.52 میلیمتری با Post Electronics راهاندازی کرد. تفاوت کانکتور ساده گاوی با کانکتور شاخ در این است که بوق ساده سگک های دو طرف را جدا می کند.

س: شرایط تحویل شما چیست؟
A: مدت تحویل معمولی ما FOB Xiamen است. ما همچنین EXW، CFR، CIF، DDP، DDU و غیره را میپذیریم. هزینههای حمل و نقل را به شما پیشنهاد میکنیم و شما میتوانید راحتترین و موثرترین را برای شما انتخاب کنید.
س: خدمات پس از فروش شما چیست؟
A: دوره ضمانت کیفیت ما یک سال است. هر مشکل کیفی برای رضایت مشتری حل خواهد شد.




ارسال درخواست
شما نیز ممکن است دوست داشته باشید










